证券之星消息,根据天眼查APP数据显示美腾科技(688420)新获得一项发明专利授权,专利名为“一种多产品喷吹系统”,专利申请号为CN202311247146.1,授权日为2025年9月5日。

图片来源于网络,如有侵权,请联系删除
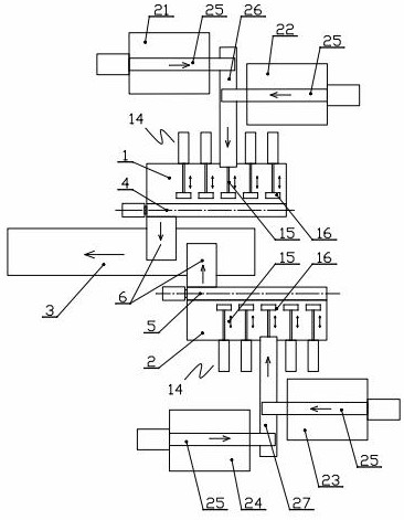
专利摘要:本发明提供了一种多产品喷吹系统,涉及分选技术领域,包括储气部以及进气组件,储气部的内部分为第一腔体和第二腔体,储气部与进气组件连接,进气组件用于供给第一腔体和第二腔体内所需的气体;电磁阀设置于储气部的侧壁上,电磁阀通过储气部的侧壁分别与第一腔体和第二腔体连接并连通。相比于现有技术而言,不仅节省了储存气体的物件,即通过一个储气部既可以储存先导气,也可以储存压缩空气,还节省了电磁阀与第一腔体之间以及电磁阀与第二腔体之间的连接管路,避免了控制阀与储气室和储存先导气的结构之间进行连接时所出现的连接管路复杂的问题,进而有效地解决了现有技术所存在的技术问题。
今年以来美腾科技新获得专利授权61个,较去年同期减少了8.96%。结合公司2025年中报财务数据,今年上半年公司在研发方面投入了2881.55万元,同比减8.78%。

图片来源于网络,如有侵权,请联系删除
通过天眼查大数据分析,天津美腾科技股份有限公司共对外投资了13家企业,参与招投标项目592次;财产线索方面有商标信息298条,专利信息627条,著作权信息65条;此外企业还拥有行政许可72个。
数据来源:天眼查APP
以上内容为证券之星据公开信息整理,由AI算法生成(网信算备310104345710301240019号),不构成投资建议。
