证券之星消息,根据天眼查APP数据显示格力电器(000651)新获得一项发明专利授权,专利名为“一种电机的启动控制方法、装置、电机和存储介质”,专利申请号为CN202111496321.1,授权日为2025年9月5日。

图片来源于网络,如有侵权,请联系删除
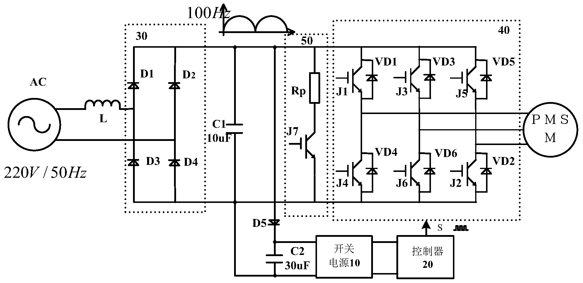
专利摘要:本发明公开了一种电机的启动控制方法、装置、电机和存储介质,该方法包括:在所述电机需要启动的情况下,控制所述电机的使能信号等于1;在所述电机的使能信号等于1的情况下,获取所述电机的转速,记为所述电机的当前转速;获取所述电机在当前时刻的转子位置参数,记为当前转子位置参数;根据所述电机的当前转速、以及所述电机的当前转子位置参数,控制所述电机启动。该方案,通过在设置电机启动转速阈值的基础上,通过识别转子位置信号长度,以保证电机顺风启动时能正常运行。
今年以来格力电器新获得专利授权4966个,较去年同期减少了2.38%。结合公司2025年中报财务数据,今年上半年公司在研发方面投入了39.18亿元,同比增10.92%。
通过天眼查大数据分析,珠海格力电器股份有限公司共对外投资了101家企业,参与招投标项目29935次;财产线索方面有商标信息8151条,专利信息116366条,著作权信息297条;此外企业还拥有行政许可842个。
数据来源:天眼查APP
以上内容为证券之星据公开信息整理,由AI算法生成(网信算备310104345710301240019号),不构成投资建议。
