证券之星消息,根据天眼查APP数据显示艾罗能源(688717)新获得一项实用新型专利授权,专利名为“逆变器及光伏储能系统”,专利申请号为CN202422354335.5,授权日为2025年8月12日。
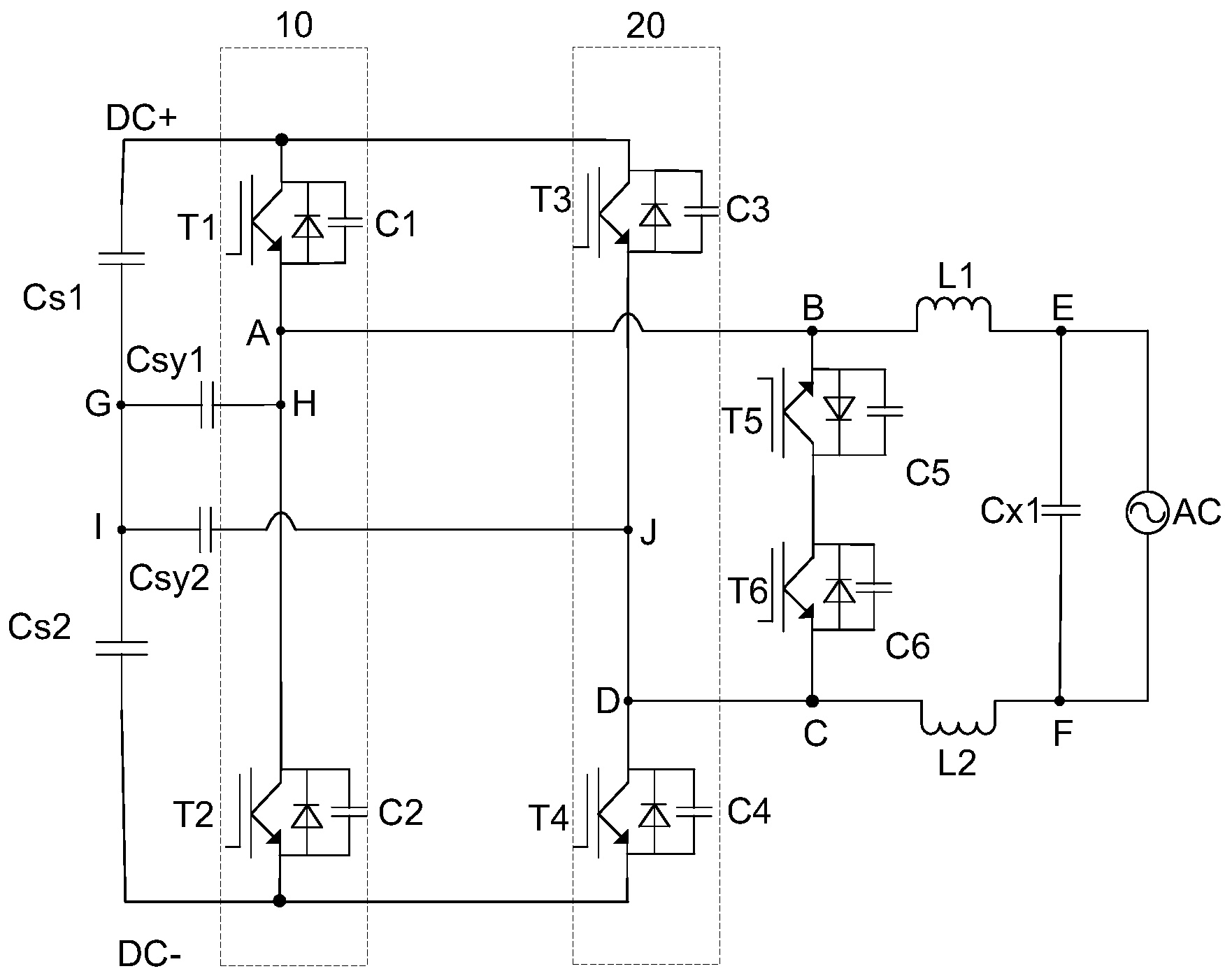
专利摘要:本申请提供一种逆变器及光伏储能系统。其中,逆变器包括正直流母线、负直流母线、电容单元、逆变电路、第一逆变开关单元、第二逆变开关单元以及预充电路,电容单元连接于直流母线,逆变电路与直流母线和电容单元连接,第一逆变开关单元和第二逆变开关单元串联在逆变电路与电网之间,预充电路包括:整流单元、限流单元、预充开关单元;整流单元连接于第一逆变开关单元和第二逆变开关单元之间,整流单元还连接限流单元,限流单元和预充开关单元串联后连接至直流母线;预充开关单元和第一逆变开关单元均用于在存在电网电压时处于闭合状态,以允许电网对电容单元进行充电。本申请的储能逆变器及光伏储能系统具有较高的安全性和稳定性。
今年以来艾罗能源新获得专利授权127个,较去年同期增加了130.91%。结合公司2024年年报财务数据,2024年公司在研发方面投入了4.81亿元,同比增75%。

图片来源于网络,如有侵权,请联系删除
通过天眼查大数据分析,浙江艾罗网络能源技术股份有限公司共对外投资了3家企业,参与招投标项目55次;财产线索方面有商标信息37条,专利信息538条,著作权信息106条;此外企业还拥有行政许可26个。
数据来源:天眼查APP

图片来源于网络,如有侵权,请联系删除
以上内容为证券之星据公开信息整理,由AI算法生成(网信算备310104345710301240019号),不构成投资建议。
