证券之星消息,根据天眼查APP数据显示富奥股份(000030)新获得一项发明专利授权,专利名为“液力缓速器控制油路”,专利申请号为CN202111672641.8,授权日为2025年7月11日。
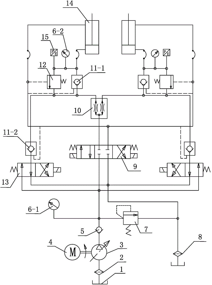
专利摘要:本申请涉及车辆辅助制动技术领域,尤其是涉及一种液力缓速器控制油路,液力缓速器控制油路包括:定转子腔,定转子腔设置有第一出口和第一进口;第一控制阀,设置于第一出口;第二控制阀,设置于第一进口;储油腔,第一控制阀和第二控制阀分别与储油腔连接;供油泵,至少设置有泵油口和第一出油口,泵油口与储油腔连接;换热装置,包括第二进口和第二出口;第一出油口与第二进口连接,第二出口与第二控制阀连接。本申请提供的液力缓速器控制油路,能够实现多种控制逻辑,控制精度高,性能稳定,通用性强,并且本液力缓速器控制油路所使用的产品部件少,油路简洁,既减轻了本液力缓速器控制油路整体的重量,也减少了原料和加工成本。

图片来源于网络,如有侵权,请联系删除
今年以来富奥股份新获得专利授权56个,较去年同期增加了180%。结合公司2024年年报财务数据,2024年公司在研发方面投入了5.41亿元,同比减5.19%。
通过天眼查大数据分析,富奥汽车零部件股份有限公司共对外投资了43家企业,参与招投标项目101次;财产线索方面有商标信息57条,专利信息724条,著作权信息14条;此外企业还拥有行政许可11个。
数据来源:天眼查APP
以上内容为证券之星据公开信息整理,由AI算法生成(网信算备310104345710301240019号),不构成投资建议。
