证券之星消息,根据天眼查APP数据显示华帝股份(002035)新获得一项发明专利授权,专利名为“一种壁挂炉的控制方法及壁挂炉”,专利申请号为CN202210819465.4,授权日为2025年6月24日。

图片来源于网络,如有侵权,请联系删除
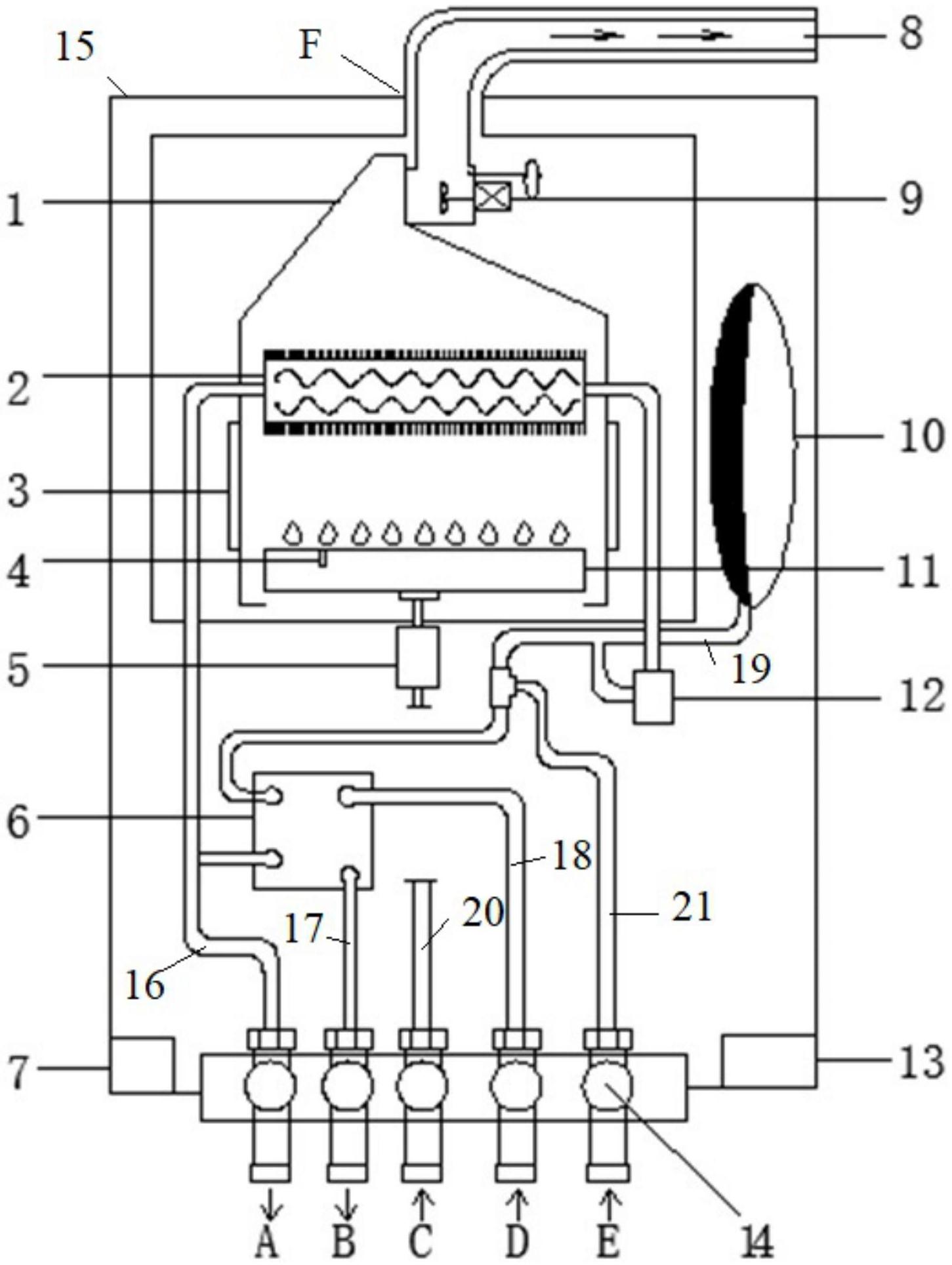
专利摘要:本发明公开了一种壁挂炉的控制方法及壁挂炉。壁挂炉的控制方法包括以下步骤:S1:设置采暖温度T0;S2:设置阶段温度目标值;S3:壁挂炉以最低负荷燃烧,并计算单位功率温升值;S4:根据单位功率温升值、当前的出水温度值与壁挂炉的额定功率,调节壁挂炉的运行负荷值,以达到该阶段温度目标值;S5:判断是否该阶段温度目标值<T0?T1,若否,则进入S6,若是,则进入S8;S6:判断是否达到停止燃烧的条件,若是,则壁挂炉停止燃烧,若否,则进入S7;S7:壁挂炉以当前负荷燃烧,并返回S6;S8:设置下一阶段温度目标值;S9:根据单位功率温升值、当前的出水温度值与壁挂炉的额定功率,调节壁挂炉的运行负荷值,以达到该阶段温度目标值,然后返回S5。
今年以来华帝股份新获得专利授权472个,较去年同期增加了15.12%。结合公司2024年年报财务数据,2024年公司在研发方面投入了2.63亿元,同比增6.14%。
通过天眼查大数据分析,华帝股份有限公司共对外投资了19家企业,参与招投标项目381次;财产线索方面有商标信息904条,专利信息8516条,著作权信息151条;此外企业还拥有行政许可84个。

图片来源于网络,如有侵权,请联系删除
数据来源:天眼查APP
以上内容为证券之星据公开信息整理,由AI算法生成(网信算备310104345710301240019号),不构成投资建议。
