证券之星消息,根据天眼查APP数据显示格力电器(000651)新获得一项实用新型专利授权,专利名为“一种吸气消音器及压缩机”,专利申请号为CN202421720100.7,授权日为2025年5月30日。
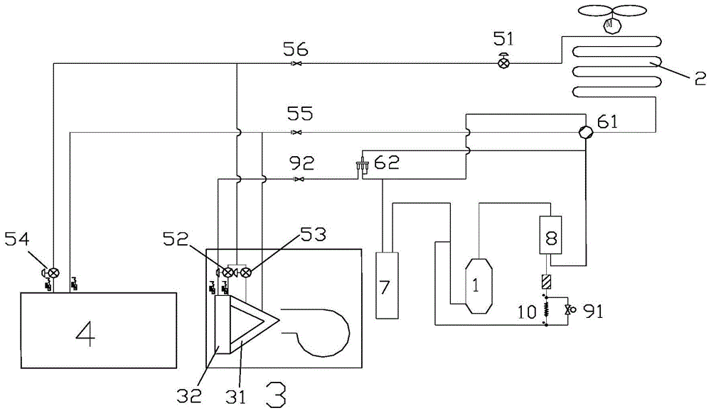
专利摘要:本实用新型公开了一种吸气消音器及压缩机,吸气消音器包括:壳体组件,内部设置有空腔,壳体组件上设置有吸气口和排气口;贯通管道,设置在空腔中,且贯通管道的两端分别与吸气口和排气口连通;其中,贯通管道的至少一部分的内壁设置为沿着吸气方向波动的波浪形结构。本实用新型实施例通过在吸气消音器中设置分别与吸气口和排气口连通的贯通管道,波浪形结构的这种设计使得制冷剂气体在流向波峰和波谷区域的时候与壁面分离,之后在波谷和波峰区域重新与壁面结合,形成回流区,而回流区的存在破坏了边界层,增强了制冷剂扰动的能力,换热性能增强,有效降低吸气消音器的吸气过热,进一步提高吸气效率。

图片来源于网络,如有侵权,请联系删除
今年以来格力电器新获得专利授权2430个,较去年同期减少了10.1%。结合公司2024年年报财务数据,2024年公司在研发方面投入了69.04亿元,同比增2.1%。
数据来源:天眼查APP

图片来源于网络,如有侵权,请联系删除
以上内容为证券之星据公开信息整理,由AI算法生成(网信算备310104345710301240019号),不构成投资建议。
